-
Анализ жидкостей (влажность, плотность, вязкость, концентрация, состав, проводимость и пр.)
- Co2-инкубаторы 3
- Hach biotector анализаторы органического углерода и хпк 3
- Hach envirolyzer автоматические анализаторы 9
- Ph-метры, иономеры 121
- Systea micromac автоматические анализаторы 25
- Аварийные души 14
- Аксессуары для подключения датчиков к контроллерам sc200 и sc1000 5
- Аксессуары, монтажная арматура 49
- Анализ дымовых газов 4
- Анализ почв, природных и сточных вод 7
- Анализаторы дезинфектантов 3
- Анализаторы молока 1
- Анализаторы мутности и взвешенных частиц 3
- Анализаторы пива 1
- Анализаторы состава питьевой воды 13
- Аналитические весы 9
- Анемометры 6
- Бани 2
- Буры с сохранением структуры почвы 6
- Вискозиметры 4
- Влагомеры 11
- Внешние модули для универсального многоканального контроллера sc1000 4
- Газоанализаторы 7
- Газоанализаторы, анемометры, манометры 1
- Георадары и антенны 14
- Гигрометры 9
- Готовые пробоотборники 11
- Датчики hamilton arc со встроенным преобразователем 13
- Датчики системы iq sensor net 21
- Датчики хлора 3
- Двойной шов 4
- Дигесторы (кьельдаль) 5
- Дополнительные платы и преобразователи для контроллера 12
- Измерение ph/orp, датчики 70
- Измерение ph/orp, контроллеры 19
- Измерение проводимости, датчики 18
- Измерение проводимости, контроллеры 10
- Измерение растворенного кислорода на уровне мкг/л 5
- Ик-термометры и пирометры 5
- Испытания почвы 10
- Калибровочные растворы 143
- Климатические камеры 5
- Колориметры 108
- Комбинированные устройства 8
- Кондуктометры и tds 15
- Контроллер iq sensor net серии 182 (282/284) 1
- Контроллер iq sensor net серии 2020 1
- Контроллеры tribox 2
- Контроль bxp 6
- Контроль качества зерна 1
- Крепления 21
- Крепления и расходные материалы 16
- Лабораторное оборудование 100
- Лабораторные весы 5
- Логеры 26
- Манометры и барометры 3
- Металлодетекторы 1
- Мешалки верхнеприводные 3
- Мешалки вортекс 5
- Мешалки магнитные 9
- Мешалки с подогревом 2
- Микроскопы 4
- Многопараметровые приборы 12
- Монтажные приспособления, системы очистки 34
- Мутномеры 15
- Муфельные печи 5
- Нагревательные плитки 2
- Оксиметры 13
- Определение содержания co2 1
- Оптические цифровые датчики trios 11
- Отгонка с паром (кьельдаль) 4
- Перемешивание 1
- Перистальтические лабораторные насосы 1
- Поляриметры / сахариметры 3
- Пробоотбор воды и донных отложений 11
- Пробоотбор сыпучих материалов 4
- Пробоотборники для почв 3
- Промышленные датчики 19
- Промышленные датчики биогенных элементов (n+p) 4
- Разъемы для организации сети sc1000 2
- Растворы для обслуживания 5
- Расходные материалы 16
- Расходные материалы для amtax sc 12
- Расходные материалы для filterprobe 5
- Расходные материалы для phosphax sc 4
- Расходные материалы для анализаторов 27
- Расходные материалы и датчики 10
- Расходные материалы и комплектующие 35
- Реагенты hanna instruments 258
- Реагенты для анализаторов 21
- Реагенты для с/ф и колориметров 140
- Реагенты и стандартные растворы 14
- Рефрактометры / сахариметры 22
- Сенсоры (датчики) 109
- Снятое с производства оборудование 66
- Спектрофотометры 6
- Специальное оборудование 13
- Специальные анализаторы 7
- Стандартные растворы для калибровки датчиков 29
- Стандартные растворы для калибровки и реагенты 23
- Сушильные шкафы и стерилизаторы 5
- Тахометры и стробоскопы 5
- Термодатчики 3
- Термометры контактные 36
- Термостаты жидкостные 2
- Тест-наборы 108
- Титраторы 44
- Уз-бани 1
- Универсальные цифровые контроллеры 4
- Устройства фильтрации проб 9
- Флокуляторы 5
- Фонтаны для глаз и лица 12
- Хпк/бпк 23
- Цифровые датчики ph/orp серии phd 13
- Цифровые датчики дезинфектантов 18
- Цифровые датчики мутности и взвешенных веществ 22
- Цифровые датчики органики и нефтепродуктов 3
- Цифровые датчики проводимости 8
- Цифровые датчики растворенного кислорода 3
- Цифровые и сменные аналоговые ph/овп - электроды серии 1200 7
- Экспедиционное оборудование 12
- Экстракция жиров 2
- Экстракция клетчатки 5
- Элементный анализ 3
- Элементы и комплектующие сетевых систем iq sensor net 21
-
Газоанализаторы, сигнализаторы загазованности
- Аксессуары 4
- Бытовая система linea bianca 12
- Бытовые комплекты контроля загазованности 12
- Механические термостаты 2
- Многоканальные системы контроля загазованности 15
- Одноканальные сигнализаторы загазованности 11
- Переносные газоанализаторы 3
- Портативные измерительные приборы 7
- Радиотермостаты 7
- Температурные зонды 3
- Термостаты для фэнкойлов 5
- Универсальный сенсор / сигнализатор загазованности 3
- Чувствительные элементы 10
- Электронные термостаты 3
- Генераторы и аппараты высокого давления(сварочное оборудование)
-
Измерение давления, уровня и температуры
- Бобышки 3
- Готовая продуция на складе/ 1
- Датчики давления 1
- Датчики температуры/ 64
- Измерительные приборы/ 22
- Инфракрасные термопреобразователи для измерения температуры расплавов металлов/ 2
- Метрологическое оборудование/ 7
- Оборудование для жилищно-коммунального хозяйства 4
- Пирометры и ачт модели/ 17
- Система температурного мониторинга мерзлых, промерзающих и протаивающих грунтов/ 39
- Термометры сопротивления тс-б 1
- Термостаты, криостаты, печи, калибраторы/ 24
- Термоэлектрические преобразователи тп-б 1
- Фильтры на пав и свч устройства/ 4
-
Измерение и учет
-
Автоматизация
11
- Анализаторы 107
- Блоки питания и защита 7
- Вибрационные датчики предельного уровня 18
- Вихревые расходомеры 5
- Высокотемпературные термометры 5
-
Газовое оборудование
45
- Гигиенические термометры 4
- Гидро- и метеорология 3
-
Давление, уровень, температура
122
- Датчики абсолютного и избыточного давления 3
- Датчики гидростатического уровня 6
- Датчики дифференциального давления 17
- Датчики и преобразователи ph 30
- Датчики кислорода 9
- Емкостные уровнемеры 14
-
Измерительные инструменты
5
- Компактные датчики температуры 5
-
Контроллеры, регистраторы, регуляторы
40
- Кориолисовые расходомеры 62
- Метрологическое оборудование 2
- Микроимпульсные уровнемеры 8
- Преобразователи температуры 31
- Программные продукты 4
-
Промышленный учет расхода
494
- Радарные уровнемеры 14
- Расходомеры 3
- Регистраторы информации 2
-
Ротаметры
14
- Системные компоненты 36
- Термомассовые расходомеры 5
- Термометры 76
- Термометры для тяжелых условий эксплуатации 6
- Ультразвуковые расходомеры 9
- Ультразвуковые уровнемеры 12
- Уровнемеры 50
- Устройства связи 18
-
Учет воды и тепла
396
-
Учет электроэнергии
2
- Электромагнитные расходомеры 35
-
-
Климатическое оборудование
-
Лабораторное оборудование
-
Анализ жидкостей
122
-
Анализ материалов
1
- Аналитические приборы 158
-
Бани лабораторные и термостаты жидкостные
16
-
Бпк
1
- Водяные бани 1
- Водяные бани двухместные 1
- Измерительные приборы 256
- Испытательное и специализированное оборудование 154
- Колбонагреватель 4
-
Лабораторная мебель
2373
- Лабораторная посуда 35
- Лабораторная посуда и вспомогательные средства 210
-
Лабораторное оборудование общего назначения
84
- Лабораторное оборудование производства лоип 198
- Лабораторное оборудование разное 3
- Лабораторные реакторы 7
- Магнитная мешалка, шейкер, вортекс, мельница лабораторная 11
-
Метрологические термостаты
9
- Оборудование для анализа нефти 12
- Оборудование для определения вязкости 16
- Оборудование для определения плотности 4
- Оборудование для пробоподготовки 53
- Общелабораторное оборудование 355
- Продукция компании ika werke 186
- Ротационный испаритель 4
- Центрифуга лабораторная 7
- Штатив лабораторный 9
- Сушильный шкаф 4
-
- Лабораторное, метрологическое и метеорологическое оборудование
- Ламповая и светодиодная продукция
-
Медицинское оборудование
- Антистатические стулья 3
- Вешалки 4
- Диваны и банкетки 6
- Донорские стулья и кресла 10
- Косметологические кресла 0
- Кресла на винтовой опоре 16
- Кресла для забора крови и терапевтических процедур (донорские) 10
- Кресла на газ лифте 12
- Кушетки медицинские 9
- Лабораторные стулья и кресла с пластиком 5
- Медицинская техника 40
- Стулья для мед.учреждений 4
- Стулья кресла с полиуретановыми сиденьями 16
- Табуреты с полиуретановыми сиденьями 26
- Табуреты на винтовой опоре 9
- Табуреты на газ лифте 7
- Ширмы медицинские 4
- Школьная мебель 22
- Штативы медицинские 4
-
Пищевое технологическое оборудование
- Анализаторы влажности 21
- Анализаторы молока и молочной продукции 45
- Ветеринария 125
- Ветеринарная диагностика 34
- Ветеринарные препараты 24
- Влагомеры 20
- Генераторы тумана и дезустановки 6
- Гигиена и очистка вымени 74
- Дезковрики 19
- Для агрохимслужб 2
- Для животноводства и ветеринарии 10
- Для лабораторий зернопереработки 20
- Для молочной промышленности 93
- Доильное оборудование 26
- Инфракрасные анализаторы 3
- Лабораторное оборудование 95
- Методы микробиологического контроля 6
- Моющие средства 22
- Оборудование для санитарного контроля и гигиены на производстве 35
- Общелабораторное оборудование 110
- Рабочий инвентарь 53
- Свиноводство 43
- Спецодежда и перчатки 46
- Тесты на определение антибиотиков в молоке 18
- Уход и содержание КРС 213
- Уход и содержание МРС 31
- Уход и содержание телят 107
- Фильтры для воды 29
- Фильтры молочные 29
- Электоропастухи 46
-
Промышленное измерение расхода
- Can инструменты 0
- Аксессуары 0
- Бесконтактные считыватели 0
- Датчики нагрузки на ось 0
- Датчики расхода топлива 9
- Датчики уровня топлива 4
- Нагрузка на ось 4
- Преобразователи расхода 5
- Расходомеры топлива, жидкости 0
- Терминалы мониторинга 2
- Технологии 0
- Чтение данных с can-шины 4
- Тепловычислители 6
- Теплосчетчики 1
- Учет холодного водоснабжения 1
-
Присоединительная арматура
4
- Дополнительное оборудование 13
- Модульные узлы учета 1
- Измерительные линии 1
- Сопутствующая продукция 28
- Архив продукции 12
-
Регистраторы, контроллеры, регуляторы
- Автоматика 26
- Автоматический ввод резерва 6
- Блоки питания 8
- Вольтметры/вольтамперметры 22
- Датчики 11
- Модульные приборы разные 41
- Реле контроля, управления и защиты 312
- Счетчики импульсов, моточасов, тахометры 39
- Тиристорные коммутаторы для укрм 20
- Тиристорные регуляторы мощности 124
- Устройства защиты 25
- Электромонтажные изделия 34
-
Свет и электрика
-
Силовая техника
- Устройства плавного пуска 35
- Дополнительное оборудование 97
- Пульты управления 4
- Аксессуары 69
-
Вибраторы
25
-
Виброплиты
25
-
Виброрейки
14
-
Вибротрамбовки
6
- Генераторы и аппараты высокого давления(сварочное оборудование) 820
-
Двигатели
4
-
Заглаживающие машины
8
-
Мотопомпы
14
- Насосы 605
- Опции 31
-
Отбойные молотки и коперы
16
-
Приводы
128
- Промышленные вентиляторы 41
- Редукторы 73
-
Сварочное оборудование
101
- Электродвигатели 1223
-
Термочехлы
-
Трубопроводная арматура
-
Трубопроводная и запорная арматура (для жидкостей), приводы
- Запорная арматура 46
- ЗАПОРНАЯ АРМАТУРА С ЭЛЕКТРО И ПНЕВМОПРИВОДАМИ 29
- НАСОСНОЕ ОБОРУДОВАНИЕ 25
- НАСОСНЫЕ СТАНЦИИ 4
- НАСОСЫ И АРМАТУРА ДЛЯ ХИМИЧЕСКИХ СРЕД 52
- ОБОРУДОВАНИЕ ДЛЯ СБОРА И ВОЗВРАТА КОНДЕНСАТА 112
- РАСШИРИТЕЛЬНЫЕ БАКИ 9
- РЕГУЛИРУЮЩАЯ АРМАТУРА ПРЯМОГО ДЕЙСТВИЯ 155
- РЕГУЛИРУЮЩАЯ АРМАТУРА С ЭЛЕКТРО И ПНЕВМОПРИВОДАМИ 34
- СИСТЕМЫ ПОЖАРОТУШЕНИЯ 4
- СОЛЕНОИДНЫЕ КЛАПАНЫ И КЛАПАНЫ С ПНЕВМОПРИВОДОМ 38
- ТРУБОПРОВОДНАЯ АРМАТУРА 257
- ШКАФЫ УПРАВЛЕНИЯ ГРАНТОР 2
-
Учет воды и тепла
- Аксессуары и комплектующие 34
- Алюминиевые радиаторы 0
- Арматура 0
- Арматура безопасности 13
- Баки мембранные 43
- Балансировочная арматура 2
- Биметаллические радиаторы 0
- Бойлеры большой емкости 0
- Водонагреватели 28
- Водяной теплый пол 91
- Воздухоотводчики 0
- Вычислители 78
- Гибкие подводки для санитарно-технических систем 72
- Группы быстрого монтажа 134
- Датчики давления 2
- Датчики и дозаторы воды 2
- Датчики и преобразователи давления 177
- Датчики температуры 335
- Дополнительное оборудование 49
- Дополнительные внешние модули мктс 7
- Дымоходы 105
- Естественная конвекция 0
- Заглушки 0
- Заглушки никелированные 0
- Запорно-регулирующая арматура 74
- Запорные шаровые краны 0
- Измерительные линии, монтажные комплекты 3
- Импульсные датчики рязань 1
- Инструмент 43
- Источники питания мктс 3
- ИТП 271
- Кип, электроника, клапаны и группы безопасности 88
- Клапаны ручные и клапаны регулировочные 0
- Коллекторные блоки для систем водяного отопления 105
- Коллекторные системы 63
- Коллекторы и коллекторные группы 50
- Коллекторы из латуни 0
- Коллекторы из нержавеющей стали 0
- Комплектующие для теплого пола 0
- Компоненты аскуэ 59
- Конвекторы 345
- Контрактная сборка электроники рязань 1
- Контргайки 0
- Контрольно-измерительные приборы 10
- Котлы 46
- Крепеж и расходные материалы 12
- Крестовины 0
- Монтажная арматура 36
- Монтажные комплекты 5
- Монтажные шкафы 33
- Муфты 0
- Муфты никелированные 0
- Насосное оборудование 583
- Насосы 30
- Ниппели 0
- Ниппели никелированные 0
- Оборудование для диспетчеризации 15
- Оборудование для монтажа 103
- Оборудование для учета газа 132
- Переходники 0
- Переходники никелированные 0
- Платы расширения мктс 11
- Подводка гибкая 5
- Предохранительные клапаны и группы безопасности 0
- Преобразователи 56
- Преобразователи давления 4
- Преобразователи температуры 2
- Пресс-фитинги 0
- Приборы учета 24
- Приборы учета природного газа 5
- Принудительная конвекция 0
- Промышленный учет 1
- Прочее оборудование 4
- Радиаторная арматура 103
- Радиаторный распределитель тепла 4
- Радиаторы 110
- Радиаторы алюминиевые alpha 0
- Радиаторы алюминиевые bravo 0
- Радиаторы алюминиевые vega (рифар) 0
- Радиаторы биметаллические alpha 0
- Радиаторы биметаллические space 0
- Радиаторы биметаллические style 0
- Радиомодули для счетчиков воды и газа 2
- Расходомеры 1745
- Расходомеры мктс (измерительные модули) 5
- Регулирующая арматура 37
- Резьбовые и ремонтные соединения для трубопроводов 65
- Санитарные шаровые краны 0
- Сервисные устройства 13
- Сервисные устройства и источники питания 51
- Сигнализаторы загазованности 13
- Система металлопластиковых труб и фитингов 0
- Система полиэтиленовых труб pe‑x и аксиальных фитингов 0
- Система сбора данных 33
- Системный блок теплосчетчика 2
- Системы диспетчеризации 19
- Системы металлополимерных и полимерных трубопроводов 115
- Системы модульного монтажа 28
- Системы полипропиленовых трубопроводов 79
- Системы трубопроводов из нержавеющей стали 38
- Системы учета энергоресурсов аскуэ 10
- Соединения 0
- Соединения никелированные 0
- Софт 1
- Средства поверки 23
- Средства учета электрической энергии и мощности 1
- Стабилизаторы сетевого напряжения 3
- Счетчики воды 103
- Счетчики воды (водосчетчики) 421
- Счетчики холодной и горячей воды 285
- Счетчики электроэнергии 69
- Тепловычислители 26
- Теплосчетчики 125
- Теплосчетчики (счетчики тепла) 593
- Теплосчетчики МКТС 4
- Тёплый пол 31
- Техническая теплоизоляция 9
- Тройники 0
- Тройники никелированные 0
- Трубопроводная арматура 202
- Трубы и фитинги 877
- Угольники 0
- Угольники никелированные 0
- Удлинители 0
- Удлинители никелированные 0
- Узлы для горизонтальных систем отопления и водоснабжения 14
- Узлы коллекторные, квартирные станции 7
- Умные счетчики воды 0
- Умные электросчетчики 0
- Управляющая автоматика 85
- Учет сточных вод 1
- Фильтры 12
- Фильтры и редукторы давления 0
- Фитинги аксиальные 0
- Фитинги винтовые 0
- Фитинги резьбовые латунные без покрытия 0
- Фитинги резьбовые латунные никелированные 0
- Фитинги резьбовые латунные хромированные 0
- Футорки 0
- Футорки никелированные 0
- Хомуты для труб 0
- Циркуляционные 0
- Шаровые краны для газоснабжения 1
- Шкафы эксплуатационные 1
- Штуцеры 0
- Штуцеры никелированные 0
- Элементы автоматики 40
Подпишитесь на рассылку и получайте свежие новости и акции нашего магазина.
- Главная страница
- •
- Измерение и учет
- •
- Ротаметры
- •
- Ротаметры для контроля жидкости серии LZM-Z панельного типа
Ротаметры для контроля жидкости серии LZM-Z панельного типа
Существует две серии панельных ротаметров – LZM и LZM-Z. Серии ротаметров с регулирующими вентилями имеют название LZM-T и LZM-ZT. Диапазон измерений и подсоединительные размеры одинаковые для всех серий.
Спецификация ротаметров
|
Модель |
Диапазон измерений |
Аналог |
Резьба |
Точность |
Давление, температура |
||
|
GPM |
л/мин |
м3/ч |
|||||
|
LZM-15Z |
0.03-0.35 |
0.1-1.4 |
0.006-0.084 |
Z-3000 |
Наружная 1/2 " |
+ 4% |
1,0 МПа 60 °С |
|
0.05-0.5 |
0.2-1.8 |
0.012-0.11 |
|
||||
|
0.1-1 |
0.5-4 |
0.03-0.24 |
|
||||
|
0.15-1.5 |
0.6-6 |
0.036-0.36 |
|
||||
|
0.2-2 |
1-7 |
0.06-0.42 |
Z-3001 |
||||
|
0.3-3 |
1-11 |
0.06-0.66 |
|
||||
|
0.5-5 |
2-18 |
0.12-1.08 |
Z-3002 |
||||
|
LZM-25Z |
1-10 |
5-35 |
0.3-2.1 |
Z-3003 |
Наружная 1" |
||
|
2-14 |
10-50 |
0.6-3.0 |
Z-3004 |
||||
|
2-20 |
10-70 |
0.6-4.2 |
Z-3004 |
||||
|
5-35 |
10-130 |
0.6-7.8 |
Z-3006 |
||||
|
5-40 |
10-150 |
0.6-9.0 |
|
||||
|
5-45 |
10-170 |
0.6-10.2 |
|
||||
Наличие на складе ротаметров уточняйте у менеджеров
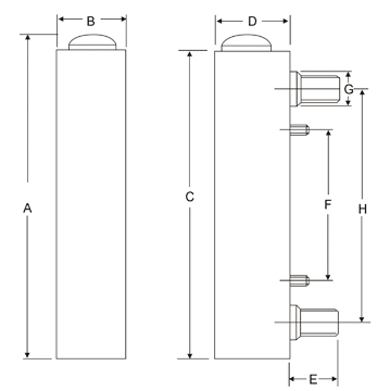
Геометрические размеры ротаметров серии LZM-Z

| Модель |
Размеры (мм) |
|||||||
|
A |
B |
C |
D |
E |
F |
G |
H |
|
| LZM-15Z |
175 |
32 |
168 |
35 |
25 |
76 |
25 |
127 |
| LZM-25Z |
234 |
45 |
226 |
46 |
33 |
100 |
37 |
160 |
Материалы компонентов ротаметров
- Корпус - полиакриловый пластик (оргстекло)
- Фитинги - ABS пластик
- Поплавок SS-304
- Уплотнительное кольцо - силикон
|
|
Ротаметры для контроля жидкости серии LZM-Z панельного типа |
|
Купить | Нет в наличии |





